Guidelines for the Safe Use of Ultrasound: Part II - Industrial & Commercial Applications - Safety Code 24

1991
ISBN: 0-660-13741-0
Cat. No.: H46-2/90-158E

(PDF Version - 151 K)

Table of Contents

List of Figures

  • Figure 1 Summary of In Vivo Mammalian Biological Effects Data for Ultrasound in the Low MHz Frequency Range
  • Figure 2 Physiological Effects of Airborne Ultrasound
  • Figure 3 Ultrasound Radiation Warning Sign

List of Tables

  • Table 1 Industrial Applications of High Power Ultrasound
  • Table 2 Selected SPLs in dB at the Operator's Position in 1/3 Octave Bands from Industrial Ultrasonic Sources
  • Table 3 Exposure SPLs in dB for Various Commercial Devices
  • Table 4 Examples of Occupational Exposure SPL Limits (in dB)
  • Table 5 Canadian Exposure Guidelines for Airborne Ultrasound

Foreword

Ultrasound is applied extensively in industry, commerce, the military and the home. Evidence on the harmful health effects of exposure to ultrasound suggests that a cautious approach should be taken in its use. The purpose of this document is to provide guidance on the safe use of ultrasound in commercial and industrial applications. The recommended safety procedures and protective measures are based upon information provided here on the health effects of both contact and airborne ultrasound exposure. Exposure criteria are given in Table 5 in Section 4.2.1. In addition, some guidance is provided for the measurement of airborne ultrasound in Appendix 1.

A document such as this cannot cover all possible applications or exposure situations. Nor can it substitute for the exercise of sound judgment in unusual circumstances for which the recommendations may need to be modified.

This document was prepared by Stephen Bly and Deirdre Morison, Bureau of Radiation and Medical Devices. Technical assistance was provided by Robert Hussey and Judy Zohr.

Helpful reviews and comments, provided on request by the following people, were given careful consideration during the preparation of this document. Their contribution is gratefully acknowledged: E. Callary, D. Johnson and E.G. Létourneau, Bureau of Radiation and Medical Devices; H.K. Lee, Occupational Health Unit, Medical Services Branch, Health and Welfare Canada; G.S.K. Wong, Acoustics and Mechanical Standards Section, National Research Council of Canada; D. Novitsky, Occupational Health Branch, Alberta; T.E. Dalgliesh, Department of Health and Fitness, Nova Scotia; K.L. Davies, Department of Health and Community Services, New Brunswick; R.N. Ross, Ministry of Health, British Columbia; M.E. Bitran, Ministry of Labour, Ontario; J. Herbertz, University of Duisburg (W. Germany); F. Dunn, University of Illinois at Urbana-Champaign; B.V. Seshagiri, Occupational Safety and Health Branch, Labour Canada; B. Pathak, Physical Hazards Group, Canadian Centre for Occupational Health and Safety.

The information in this document is provided for guidance only. Should any problems arise on the interpretations of the text, contact:

Non-Ionizing Radiation Section Bureau of Radiation and
Medical Devices Department of National Health and Welfare
Ottawa, Ontario,
Canada
K1A 0L2

1. Introduction

These guidelines, including exposure limit criteria, aim to assure the safe use of industrial and commercial ultrasound. They cover a large number of varied applications of ultrasound, which use quite different mechanisms to produce their desired effects. Table 1, from Shoh (Sh 75) and Michael (Mi 74), lists the major applications of high-power ultrasound together with the ultrasound frequency, power range and a brief description of the process involved in the application.

The physical and biophysical effects of high-power ultrasound generally depend on the following complex, vibration-induced phenomena in matter:

  1. cavitation and microstreaming in liquids;
  2. surface instability occurring at liquid-liquid and liquid-gas interfaces;
  3. heating and induction of fatigue in solids;
  4. heating in liquid and liquid-like media.

In high-power industrial ultrasound the objective is to expose the workpiece to vibratory energy of sufficient intensity to bring about a permanent physical change. The main hazard to the user is from accidental contact exposure to the ultrasonic wave. However, many industrial and commercial uses of ultrasound also incidentally generate and propagate high sound-pressure levels in the air in the sonic and ultrasonic range. When this happens, a hazard may also arise from the ear's reception of the airborne ultrasound.

Table 1. Industrial Applications of High Power Ultrasound [From Shoh (Sh 75) and Michael (Mi 74)].
Application Description of Process Frequency (kHz) Intensity Range (W/cm2)
Cleaning and degreasing Cavitated cleaning solution scrubs parts immersed in solution 20 - 50 Approximately 1 - 6 W/cm2 ofdriving area
Soldering and braising Displacement of oxide film to accomplish bonding without flux - 1 - 50 W/cm2
Plastic welding Welding soft and rigidplastic About 20 Approximately 100 W/cm2 at theweld (700 W)
Metal welding Welding similar and dissimilar metals 10 - 60 Approximately 2000 W/cm2 at the welding tip
Machining Rotary machining, impact grinding using abrasive slurry, vibration assisted drilling Usually 20 -
Extraction Extracting perfume,juices, chemicals from flowers, fruits, plants About 20 About 500 W/cm2 (100 - 500 watts)
Atomization Fuel atomization to improve combustion efficiency and reduce pollution and dispersion of molten metals Between 20 and 300 -
Emulsification, dispersion, and homogenization Mixing and homoge-nizing of liquids, slurries, creams - -
Defoaming and degassing Separation of foam and gas from liquid, reducing gas and foam content - -
Foaming of beverages Displacing air by foamin bottles or container prior to capping - -
Electroplating Increases plating rates and produces denser, more uniform deposit - -
Erosion Cavitation erosion testing, deburring, stripping - -
Drying Drying heat sensitive powders, food stuff, pharmaceuticals - -

A number of direct commercial applications of airborne ultrasound, including burglar alarms, automatic door-openers, TV converters and automatic camera-focusing devices, can also, in some cases, yield relatively high sound-pressure levels at ultrasonic frequencies. Again, the hazard from the airborne ultrasound may arise from reception by the ear.

To make allowances for differences between these two types of hazards, separate guidelines and rationales are given for contact and for airborne ultr asou nd exposures.

2. Health Effects of Industrial and Commercial Ultrasound

2.1 Contact Exposures

Contact exposure is exposure for which there is no intervening air gap between the transducer and the tissue. This may be via direct and intimate contact between the transducer and the tissue or it may be mediated by a solid or liquid. Contact exposure can in some cases provide nearly 100% energy transfer to tissue. However, an air gap can diminish the ultrasonic energy transferred by orders of magnitude. For example, if a person's finger is directly irradiated in the water bath of an ultrasonic humidifier, the energy transferred to the bone is approximately 65% of that which is radiated; but if the finger is just outside the water, one million times less ultrasonic energy is transferred to the finger.

The in vivo mammalian biological effects data for ultrasound contact exposure in the low MHz frequency range are summarized by the graph shown in Figure 1 (NCRP 83). The plots show the intensities below which no significant, independently confirmed biological effects have been observed.

Devices such as ultrasonic humidifiers operating in the low MHz frequency range can readily cause tissue injury if and only if there is a contact exposure. It is known from anecdotal reports that at full ultrasonic power, contact exposure of a finger to the ultrasonic beam from an ultrasonic humidifier will cause sharp pain within seconds, likely due to overheating of the bone.

There also exists the potential for hazardous effects below the MHz frequency range with high-power ultrasound. For example, high-power ultrasonic waves are used in ultrasonic cleaners and cell disintegrators because of their destructive and violent effects. It is certainly reasonable to assume that relatively intense cavitation activity occurs in the water (or solvent) baths of such devices (Ac 83; WHO 88). Nonetheless, documented cases of actual tissue damage are rare. In one documented study, exposure to ultrasound in ultrasonic cleaners operating at frequencies between 20 and 40 kHz was reported to have caused pain in the hands of the volunteers. However, exposure to ultrasound in an 80 kHz cleaner led to no immediate observable effects (Fi 68).

Figure 1.
Plots showing intensities below which no independently confirmed significant biological effects have been observed in mammalian tissues. The upper plot (FL) applies to focal lesions; the intensities are in situ values. The lower one (AIUM) is a graphical representation of the in vivo mammalian bioeffects statement of the Bioeffects Committee of the American Institute for Ultrasound in Medicine (AIUM). The ultrasonic frequencies are in the range of 1 to 10 MHz and the spatial peak time average intensities, I(SPTA), are measured in water (NCRP 83).

Intensity / Exposure graph

In two reviews of the hazards of industrial ultrasound (Ac 77, Ac 83), Acton was unable to substantiate reports of necrosis or bone degeneration due to persistent exposure to liquid coupled ultrasound. Furthermore, in a recent study by Carnes and Dunn (Ca 86), testicular damage was observed in only 4 of 150 mice exposed to ultrasound from a 25 kHz tissue homogenizer operating at an intensity of 15 W/cm2.

The literature on devices such as ultrasonic cleaners and tissue homogenizers is confusing: these devices do not appear to be as hazardous as expected, given the effects they were designed to create. Nonetheless, although reports of biological effects are surprisingly rare, exposure to the liquid-borne ultrasound from these devices clearly can cause tissue injury, and protection measures are necessary.

The literature indicating the hazards of devices such as ultrasonic bonding machines is even more sparse. However, a recent report (Fe 84) described a thermal injury inflicted by a direct contact exposure with an ultrasonic bonding machine used in the bonding of plastics, operating at 20 kHz. An exposure of only a fraction of a second was enough to cause a serious localized burn on the operator's finger.

Although those who work with an industrial ultrasound device would not, through design of the device, experience direct solid or liquid contact with transducers emitting high power (or high intensity) ultrasound, direct contact exposure can occur through accidents or carelessness. Therefore, appropriate precautions must be taken to avoid accidental exposure.

2.2 Airborne Ultrasound

Concern about the possible effects of exposure to airborne ultrasonic and upper sonicFootnote 1  radiation began in the late 1940s with reports of "ultrasonic sickness" in personnel working around jet aircraft (Da 48). These concerns led to research into the auditory and non-auditory biological effects of airborne ultrasound.

2.2.1 Heating and Cavitation

The most plausible mechanisms for non-auditory effects of airborne ultrasound on a human are heating and cavitation. The examples of cavitation thresholds given by Neppiras (Ne 80) suggest that airborne ultrasound would not give rise to cavitation except at a sound pressure level (SPL) above approximately 190 dB. This is well above the levels for which heating effects would occur.

A number of studies of effects of airborne ultrasound have been undertaken on mammals and insects; the observed effects were interpreted as being due to heating. At 160 dBFootnote 2  at 20 kHz, Allen et al. (Al 48) reported the death of insects and mice as a result of exposures ranging from 10 seconds to 3 minutes. In these experiments it was established that the heating produced by sound absorption was sufficient to cause death. Work by Parrack and co-workers indicated that, at ultrasonic frequencies, most of the absorption found in rat studies was due to the fur on the rat (Gi 49, Gi 52, Pa 66). The ratio of the absorbed to incident intensity for the human body surface appeared to be about an order of magnitude smaller than that for a shaved rat. Danner et al. (Da 54) found that the heating threshold for mice occurred at an SPL of 144 dB for furred mice and 155 dB for shaved mice at frequencies of 18 - 20 kHz. These results suggest that an SPL of at least 155 dB would be necessary to produce a rapid damaging temperature elevation in humans, and Parrack's calculations (Pa 66) suggest that 180 dB would be required to be lethal to a human.

Further information on the ultrasonic heating of humans is found in the incidental human exposures reported in the work of Allen et al., in which an SPL of 165 dB was used (Al 48). Local heating in the crevices between fingers caused burns almost instantly at these levels. Painful heating occurred after several seconds of exposure of broader surfaces such as the palm of the hand. In addition, Acton (Ac 74) has reported on unpublished work by Parrack indicating that mild heating in skin clefts has been observed in the SPL range of 140-150 dB. Other non-auditory effects at these high levels included extremely disagreeable sensations in the nasal passages.

It can be concluded that, at SPLs greater than approximately 155 dB, acute harmful effects will occur in humans exposed to airborne ultrasound, primarily as a result of sound absorption and subsequent heating. It is plausible that chronic lengthy exposures to levels between 145 and 155 dB might also be harmful, as they could raise body temperatures to mild fever levels during the exposure periods. However, as indicated in Section 3 of this guideline, such high sound-pressure levels have never been encountered in either commercial or industrial applications.

2.2.2 Auditory Effects - Hearing and Physiological

The major effects of airborne ultrasound of concern in practice are the result of reception by the ear. The effects fall primarily into two categories: the so-called "subjective" effects on the central nervous system and damage to the ear. These effects form the basis for exposure guidelines as they occur at lower sound pressure levels than those which give rise to heating.

Two reports have indicated temporary hearing loss at frequencies below 8 kHz due to a high SPL of airborne ultrasound. Parrack (Pa 66) reported that for five-minute exposures at selected frequencies in the range from 17 to 37 kHz at SPLs between 148 and 154 dB, hearing sensitivity was reduced at the subharmonic frequencies. Slight losses also occurred occasionally at the third subharmonic. Recovery from the losses was rapid and complete. Dobroserdov (Do 67) measured reductions in auditory sensitivity at 4, 10, 14 and 15 kHz after one hour's exposure to 20.6 kHz ultrasound at an SPL of 120 dB. No significant effects were observed at SPL exposures of 100 dB by Dobroserdov.

Sound pressure levels lower than 120 dB at ultrasonic frequencies have not been demonstrated to cause hearing losses. In a study of 18 men working with ultrasonic cleaners and other ultrasonic instruments, Knight (Kn 68) found no evidence of hearing loss attributable to ultrasonic exposure. Acton and Carson (Ac 67) found no temporary threshold shifts (TTS) in a study of 31 ears in 16 subjects exposed to SPLs of up to 110 dB in the 1/3-octave bands centred on 20 and 25 kHz. Grigor'eva (Gr 66) exposed five volunteers to 110 - 115 dB of a 20 kHz pure tone for one hour and found no change in auditory sensitivity (or pulse rate or skin temperature). However, a TTS appears to have been observed by Grigor'eva for exposure to pure tones at 16 kHz for SPLs greater than 90 dB.

Recently Grzesik and Pluta (Gr 83) studied the hearing of 55 ultrasonic cleaner and welder operators. No significant differences in thresholds of hearing between exposed and controls were observed at frequencies between 0.5 and 8 kHz. However, the authors claimed significant differences in hearing between exposed and control subjects in the 10 - 20 kHz range. They claimed threshold elevations and a decreasing number of subjects responding to stimuli at the highest audible frequencies. In a follow up of 26 of these workers, Grzesik and Pluta (Gr 86) suggested that a hearing loss of approximately 1 dB/year occurs in the frequency range of 13 - 17 kHz due to the occupational exposure of these workers to the acoustic fields created by the ultrasonic cleaners and welders. The acoustic spectra of these devices (Gr 80, Gr 83) indicated that the SPLs were in the range of 80 to 102 dB at frequencies between 10 and 18 kHz, the upper sonic frequencies, whereas the SPLs were in the range of 100 to 116 dB at frequencies greater than 20 kHz. In the absence of a detailed correlation between the acoustic spectra and the measured effects on hearing, it is impossible to say with certainty which frequencies were responsible for the high-frequency hearing losses. However, it is more likely that the upper sonic rather than the ultrasonic radiation led to the measured hearing losses in these studies since high SPLs at upper sonic frequencies were found more frequently than at ultrasonic frequencies (Gr 80, Gr 83). Also, as noted above, TTSs have apparently been observed for subjects exposed to pure tones at upper sonic frequencies between 10 and 16 kHz, with SPLs greater than 90 dB. Furthermore, there is no other substantiated evidence for effects on hearing below ultrasonic SPLs of 120 dB.

Other physiological effects of airborne ultrasound are likely to occur only at SPLs greater than or equal to those which would lead to TTS. Knight (Kn 68) and Grigor'eva (Gr 66) found no evidence for any physiological effects at ultrasonic frequencies. Dobroserdov (Do 67) found significant loss of balance stability and reduced motor response time for exposures to 120 dB at 20 kHz, but the effects were insignificant at 100 dB at the same frequency.

2.2.3 "Subjective" Effects

A number of "subjective" effects have been reportedly caused by airborne ultrasound, including fatigue, headache, nausea, tinnitus and disturbance of neuromuscular coordination (Sk 65, Ac 67, Ac 68, Cr 77, FDA 81(b)). Skillern (Sk 65) measured the 1/3-octave band spectra from 10 to 31.5 kHz from a number of ultrasonic devices and found that subjective effects were associated with devices which produced SPLs greater than 80 dB in this frequency range.

Acton and Carson (Ac 67), investigated effects of exposure to ultrasound on 18 young females working near a bank of "ultrasonic" cleaners. They were exposed to both ultrasound and audible acoustic energy and complained of fatigue, headache, nausea and tinnitus. The same symptoms were found in subsequent laboratory experiments in which human subjects were exposed to high-frequency acoustic radiation with audible components. When these same subjects were exposed to similar high-frequency energies, but without audible components, no complaints occurred, leading Acton and Carson to conclude that audible components had to be present for a subjective effect to be observed. They supported this finding by noting that women complained about these effects more than men. Since the exposed males were older and all had history of noise exposure as well as high frequency hearing losses, they assumed that the exposure radiations were largely inaudible to many of the men.

A detailed analysis of Acton and Carson's data indicated that subjective effects were not found if the 1/3-octave band SPLs were less than 75 dB for centre frequencies up to and including 16 kHz and less than 110 dB for centre frequencies greater than or equal to 20 kHz (Ac 68). Acton indicated that this criterion for the occurrence of subjective effects was also consistent with Skillern's data (Sk 65) and suggested it as an exposure criterion. Acton modified the criterion in 1975 (Ac 75). In the revised criterion, the 75 dB limit was extended to include the 1/3-octave band centred on 20 kHz. This was done when more reports of subjective effects were documented by Acton. He found that subjective effects could still occur below 110 dB in the 20 kHz, 1/3-octave band (Ac 75). This was interpreted as being because the nominal frequency limits of the 1/3-octave band centred on 20 kHz are 17.6 kHz and 22.5 kHz. The lower end of this frequency band was within the upper end of the audible frequency range of a significant proportion of the population and therefore subjective effects could occur at relatively low levels.

Taken together, the results on subjective effects indicate that they are a reaction of the central nervous system to the upper sonic frequencies or ultrasound as they become audible. The shape of Acton's empirically derived criterion suggests that ultrasound could be made audible if the sound pressure levels were high enough and that the threshold of hearing should rise rapidly in the transition from upper sonic to ultrasonic frequencies. This is qualitatively consistent with free-field SPLs for the average threshold of hearing measured by Herbertz and Grunter (He 81, He 84) for sonic and ultrasonic frequencies ranging from 10 to 31.5 kHz. Their values were averaged for two separate studies on a total of 30 subjects with normal hearing who were between the ages of 20 and 41. The average threshold of hearing increased rapidly and monotonically with frequency at a rate of approximately 12 dB per kHz between 14 and 20 kHz leading to an average threshold of hearing of approximately 100 dB at 20 kHz (He 84) and approximately 125 dB at 25 kHz. Above 20 kHz the ultrasound may appear audible because subharmonics are generated in the ear (Gi 50). Such a phenomenon has been observed at levels greater than 110 dB in the chinchilla and guinea pig (Da 66). The hypothesis that ultrasound appears audible due to generation of the subharmonics within the ear is also consistent with Parrack's study referre d to above, involving short-term hearing loss at subharmonics of exposure frequencies after exposure to high SPLs of airborne ultrasound (Pa 66).

To summarize, exposure to ultrasonic radiation, when sufficiently intense, appears to result in a syndrome involving manifestations of nausea, headache, tinnitus, pain, dizziness, and fatigue. The type of symptom and the degree of severity appear to vary depending upon the actual spectrum of the ultrasonic radiation and the individual susceptibility of the exposed persons, particularly their hearing acuity at high frequencies.

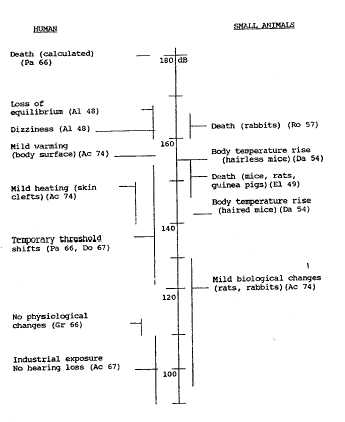
A concise summary of the physiological effects of ultrasound with specific stated exposure conditions has been given by Acton. It is shown in a modified form in Figure 2 (Ac 74).

Figure 2.
Physiological Effects of Airborne Ultrasound (Figure adapted from one by Acton (Ac 74)).

Physiological Effects Graph

3. Human Exposure to Airborne Ultrasound

There have been a number of reports and investigations into the exposure of workers to airborne ultrasound (Sk 65, Pa 66, Mi 74, Ac 67, Do 67, Gr 80, Sw 82, An 86). A wide variety of SPL values were obtained depending on the device, the location of measurement relative to the device, and whether the device is enclosed. Selected examples of SPLs, as measured at the operator's position, are given in Table 2.

Grzesik and Pluta (Gr 80, Gr 83) measured 1/3-octave band SPLs at the operator's position from ultrasonic cleaners at 25 and 28 kHz and at the subharmonic frequencies of 12.5 and 14 kHz. The SPLs at the fundamental frequencies were between 100 and 116 dB and the subharmonics had SPLs of 80 -102 dB. For ultrasonic welders, the average frequency was 21 kHz and the highest SPL was 106 dB in the 20 kHz 1/3-octave band. The results obtained over the past 25 years have for the vast majority of cases remained in agreement with Grigor'eva's statement that sound pressure levels from ultrasonic machinery in the ultrasonic frequency range rarely exceed 120 dB (Gr 66).

Since 1976, a number of measurements of airborne ultrasound SPLs from commercial devices have also been made by the Bureau of Radiation and Medical Devices (BRMD) in Canada and by the Center for Devices and Radiological Health (CDRH) of the Food and Drug Administration (FDA) in the U.S.A. Table 3 contains several examples of the largest SPLs found for typical exposure positions. Since these devices emit pure tones, the side band values are not given. Exposures from commercial devices are usually from single pure tones (although sometimes frequency sweeps are also used) and tend to be at lower SPLs than exposures from industrial devices.

Table 2. Selected SPLs in dB at the Operator's Position in 1/3-Octave Bands from Industrial Ultrasonic Sources
Reference Ultrasonic Device 1/3 Octave Band Cente
Frequency (kHz)
10 12.5 16 20 25 31.5
(Sk 65) Drill (no enclosure) 91 85 90 81 108 84
(Sk 65) Welder 76 95 115 93 73 69
(Sk 65) Cleaner <61 <61 <61 83 67 <61
(Sk 65) Cleaner 77 78 79 96 77 77
(Pa 66) Jet engine (after-burner) power 114 113 11 108 106 103
(Cr 77) Cleaner 86 77 86 105 97 80
(Ac 67) Drill 75 67 75 97 75 78
(Ac 67) Cleaner (small) 53 61 91 83 75 105
(Ac 67) Cleaner (large) 83 86 91 96 91 102
(An 86) Welder N/A N/A N/A 127 N/A N/A
(An 86) Welder N/A N/A N/A 106 N/A N/A
(Sw 82) Cleaner 78 66 76 97 74 70
(Sw 82) Welder (no enclosure) 106 114 119 96 80 56
Table 3. Exposure SPLs in dB for Various Commercial Devices.
Reference Ultrasonic Device 1/3-Octave Band Center
Frequency (kHz)
10 12.5 16 20 25 31.5 40
BRMD Video display terminal (VDT) - - 66 - - - -
CDRHFootnote T3a  VDT - - 61 - - - 68
BRMD Ultrasonic person sensor - - - - 94 - -
CDRHFootnote T3b  Ultrasonic intrusion alarm - - - 93 - - -
CDRHFootnote T3b  Ultrasonic dog repeller - - 108 - - - -

In summary, exposure to industrial ultrasonic devices rarely exceeds 120 dB. Exposure to commercial devices designed to emit ultrasound rarely exceeds 110 dB. Commercial devices which incidentally emit ultrasound, such as VDTs, yield SPLs at the operator's ear of l es s than 70 dB and only rarely exceed 65 dB.

Industrial ultrasonic devices also produce audible noise. These sonic exposures must not be ignored in considering the hazards of industrial ultrasonic equipment. There is ample evidence in the studies noted in Section 2 that the upper sonic and sonic emissions from ultrasonic devices are considerably more hazardous than ultrasonic emissions for equivalent SPLs.

4. Guidelines for Safe Use

4.1 Contact Ultrasound

Contact exposure to high-power ultrasound must be avoided at all times.

The following steps are recommended to ensure the safe use of high-power ultrasound, which is generally employed in order to bring about a permanent physical change in a system:

  1. Limited occupancy -
    Only operators qualified to use high-power ultrasound equipment or persons under strict supervision should be allowed within the boundaries of the controlled area while the equipment is operating.
  2. Responsibility of personnel -
    Personnel using high-power ultrasound, and safety inspectors in industry, should be knowledgeable about the possible harmful effects of ultrasound and necessary protective measures.
  3. Warning signs -
    The warning sign for ultrasound radiation recommended for use is shown in Figure 3. Warning signs should be placed at the entrance to any area which contains high power ultrasound equipment or applied to each high power ultrasound device. Accompanying each warning sign there should also be a statement indicating the precautionary measures to be taken while the ultrasound power is on.
  4. Ultrasonic cleaning tanks -
    Labels should be placed on all ultrasonic cleaning tanks cautioning nearby personnel not to immerse hands or other parts of the body in the tank while it is operating.

    Figure 3.
    Ultrasound Radiation Warning Sign.
    ULTRASOUND
    Ultrasound Danger Sign
    DANGER

    For large cleaning baths, which cannot be easily turned off when objects are removed or introduced, objects can be suspended from hooks or in baskets. If these protective measures cannot be incorporated and immersion of hands and arms is required, then, as a last resort, gloves lined with flock or fur should be used. They can provide adequate protection since the trapped air layer provides a sufficient acoustic impedance mismatch to reduce the ultrasonic energy transmitted to the body. However, the gloves must be long enough and in good condition (Ac 77), as loss of this air layer would destroy the protection.
  5. Other high-power ultrasound devices -
    Any high-power ultrasound device which might cause a person to receive contact exposure to the ultrasound should carry a label specifying that the device, or a certain part of it, should not be touched while it is operating. Where required, solid sources of ultrasound can be manipulated with suitable tools.
    The levels of low-power ultrasound as used in non-destructive testing are such that, in general, there is little chance of harm occurring from brief accidental contact exposure. However, since biological effects data are still inconclusive, unnecessary contact exposure should be avoided.

4.2 Airborne Ultrasound

4.2.1 Human Exposure Limits

Based on slightly differing interpretations and analyses of the biological effects studies described in Section 2, a number of similar human exposure limits have been recommended in several different countries for upper sonic and ultrasonic radiation. These are summarized in Table 4 (Ma 85).

Two other, quite different criteria have also appeared. The U.S. Air Force (USAF 76) retains an 85 dB limit for each 1/3-octave band from 12.5 to 40 kHz. Based on comparisons to some of Skillern's and Acton's spectra giving rise to subjective effects, these limits may be too high in the 16 and 20 kHz bands to adequately protect against subjective effects and unnecessarily restrictive in the 25 to 40 kHz bands. The other guideline has been presented by auf der Maur in his review article (Ma 85). This proposal, which is based on the AU weighted filter suggested by Herbertz (He 84), has apparently been under consideration by several organizations. However, the high levels it allows, such as 105 dB in the 16 kHz band, 120 dB in the 20 kHz band and 140 dB for the 31.5 kHz band, appear to be excessively high when seen in relation to the data on subjective effects. In addition, the levels permitted in the 16 and 20 kHz bands by this guideline are greater than or equal to those for which Grigor'eva and Dobroserdov appear to have observed TTS in their exposed subjects (Gr 66, Do 67). The value of 140 dB is at the lower limit of the range in which observations of mild heating of skin clefts have been reported (Ac 74).

At present, Acton's modified 1/3-octave criterion appears to be the most suitable as a basis for exposure limits. It is based on the most detailed published comparison available of 1/3-octave band spectra and the presence of subjective effects.

The Canadian recommended exposure limits are given in Table 5. These are given in 1/3-octave bands from 16 kHz to 50 kHz. The exposure limits are independent of time as subjective effects can occur almost immediately (IRPA 84). Below the 16 kHz 1/3-octave band, the sound must clearly be classified as audible and should be assessed through criteria given in the appropriate existing federal, provincial or municipal noise legislation. The large step between the 1/3-octave 20 kHz band and the 1/3-octave 25 kHz band is based on the empirical analysis of industrial exposure by Acton. It is qualitatively consistent with the steep rise in the average threshold of hearing measured by Herbertz and Grunter (He 81, He 84), from approximately 75 dB at 17.5 kHz to 115 dB at 22.5 kHz.

Table 4. Examples of Occupational Exposure SPL Limits (in dB). The SPLs are for 1/3-octave bands.
Frequency kHz Proposed By
1Footnote T4a  2Footnote T4b  3Footnote T4c  4Footnote T4d  5Footnote T4e  6Footnote T4e 
8 90 75 - - - -
10 90 75 - - 80 -
12.5 90 75 75 - 80 -
16 90 75 85 - 80 -
20 110 75 110 105 105 75
25 110 110 110 110 110 110
31.5 110 110 110 115 115 110
40 110 110 110 115 115 110
50 110 - 110 115 115 110

Legend:

Adapted from (Ma 85)

Table 5. Canadian Exposure Guidelines for Airborne Ultrasound. The SPLs, for 1/3-octave bands, are independent of time of exposure as subjective effects can occur immediately
Frequency (kHz) SPL(dB)
16 75
20 75
25 110
31.5 110
40 110
50 110

The limits recommended in this guideline may be exceeded for occupational exposure, if reduction of the SPL via engineering controls is not possible (see 4.2.2. below) and workers are provided with ear protectors that reduce ultrasound levels at their ears to the sound pressure levels given in Table 5. However, in the ultrasonic frequency range, if potential problems due to heating are to be avoided, total linear measured SPL exposure to other parts of the body must never exceed 137 dB. This value is based on the lowest value (140 dB) (see Figure 2) which allegedly has led to mild heating of skin clefts. A safety factor of 3 dB (a factor of 2 in energy) should ensure that no significant heating of a human could occur.

4.2.2. Protective Measures for Airborne Ultrasound Exposure

Safety procedures for the protection of personnel are similar to those used for audible noise. The objective is to ensure that ambient sound pressure levels do not exceed the recommended maximum permissible exposure level. This is achieved first by measuring the SPL (see Appendix 1 for measurement techniques), and reducing exposure levels where required, preferably with engineering controls, reducing sound at its source or in its path by installing sound-absorbing material and containment baffles. If engineering controls are not possible, then ear protection should be used.

Protective measures are considerably simpler and more economical in the ultrasonic range than in the audible range since the higher ultrasonic frequencies tend to be much more readily absorbed and reflected inward by enclosures. In addition, they are less liable to diffraction through orifices. Gold et al. (Go 84) reported that cardboard 3 mm thick was adequate to reduce SPLs by 70 dB between 20 and 50 kHz. Crabtree and Forshaw (Cr 77) constructed relatively simple enclosures for several ultrasonic cleaners which had yielded airborne ultrasound SPLs greater than Acton's criterion. One enclosure, made of 3/4" plywood, lined with one-inch styrofoam and fitted with a top lid and front panel hinged with piano hinges, was effective in attenuating the SPL from 85 to 55 dB in the 16 kHz 1/3-octave band. Rooms constructed for large cleaners in a hangar were made with simple construction materials such as 1/2" gypsum board and 1/4" plywood. Sealing of the doors was entirely unnecessary and attenuation was at least 40 dB. Acton (Ac 67) described simple protective measures for a bank of ultrasonic cleaners. The enclosure was constructed from polyvinyl chloride and Perspex, with stainless steel runners on the outside of the enclosure for the doors. (These materials were used because they were resistant to the corrosive fumes generated during the washing process.) Although the enclosure was far from perfectly sealed, Acton and Carson (Ac 67) were able to achieve attenuation of approximately 10 dB at 20 kHz and 15 dB at 40 kHz with this shielding, enough to eliminate the subjective effects.

In those cases where engineering controls are not feasible, reduction of sound at the receiver by ear protection for ultrasonic frequencies is simple and effective. The protection for ultrasonic frequencies is expected to be at least 14 dB for ear muffs and rubber ear plugs, and 24 dB for foa m ear plugs (Ac 83).

Appendix 1

Airborne Ultrasound Measurement

Measurements should be made in the place (usually the workplace) where exposure of a person occurs. Preliminary field measurements should be made at a variety of positions. The final measurement of sound pressure level (SPL) should be at that position of the operator's ear which yields the largest SPL value. If there is another position at which other parts of the operator's body may be subjected to SPL measurement of 137 dB or more, then the SPL at that position should be used for comparison to exposure criteria.

The angle of incidence should be estimated for a directional signal unless the ultrasonic field is determined to be better approximated as a random incidence (diffuse) field. This can be done by observing changes in the sound level meter reading as a function of orientation of the microphone. For a directional signal, at frequencies for which angular orientation is significant, there will be a diminution of up to 10 dB in the meter reading as the angle of incidence changes from 0° (normal incidence) to 90° (grazing incidence). Finally, the measured spatial maximum SPL value, corrected for possible systematic errors, plus the absolute value of the estimated measurement uncertainty, is the quantity to be compared to the recommended permissible exposure limits of Table 5 in Section 4.2.1. The uncertainty should be obtained byadding the estimated contributions to the uncertainty from the various sources of error in the measurement.

In summary, in order to make a reasonable judgment of whether the guidelines have been exceeded it is important to find the position for the microphone which gives the largest sound pressure level after correction for possible systematic errors. In addition, it is essential to make reasonable estimates of the measurement uncertainty. These procedures are discussed in more detail below.

The absolute calibration of a sound level meter at the measurement site is usually performed at a single frequency, often at or below 1 kHz. Therefore, for reliable measurements, a systematic correction should be made for the relative frequency response of the equipment used in the measurement of airborne ultrasound. The correction can be obtained from manufacturer's specifications, and the uncertainty in this correction should be used in the final uncertainty estimate. This cannot be determined solely from the sound level meter's standardized type because the tolerances permitted at high frequencies are extremely wide. For example, for a Type 1 precision sound level meter as defined in either Publication 651 of the International Electrotechnical Commission (IEC 1979) or ANSI S1.4-1983, a standard of the American National Standards Institute (ANSI 1983), the tolerances of the response at 16 kHz and up to 20 kHz are plus 3 dB and minus infinity. Above 20 kHz no tolerances are specified. Of course, suitable Type 1 sound level meters are available for the measurement of airborne ultrasound, but the meter reading will depend on the frequency response of the microphone and amplifiers of the sound level meter.

The frequency response of the sound level meter can be broken down into two components: the electrical frequency response of the sound level meter (which has standardized tolerances up to 100 kHz specified in ANSI S1.4-1985 (ANSI 1985)) and the frequency response of the microphone due to diffraction effects. At frequencies for which the microphone no longer appears to have negligible size, the frequency response also depends on the angle of incidence. Again, manufacturer's specifications should be used to make appropriate corrections for either the angular or random incidence response at the frequency of interest.

It may be possible to determine whether the ultrasonic field is well approximated as a free field or random incidence field by means of approximate field mapping and a knowledge of the approximate angular dependence of the sound level meter reading, the size of the room, the material of the wall of the room or of obstructions in the room. If such a determination can be made, several different types of microphones could be suitable for measurement with relatively low uncertainty.Footnote 3

If the conditions were always free field, then a 1/4-inch microphone designed for flat free field frequency response with protecting grid removed and operating at normal incidence would be suitable up to the 50 kHz 1/3-octave band. As long as corrections for the frequency response were made, a 1/4-inch microphone could also be used with the protecting grid in place. A 1/2-inch microphone designed for flat free field frequency response with protecting grid in place and operating at normal incidence would be suitable up to the 31.5 kHz 1/3-octave band or for narrow band signals up to 40 kHz. By using manufacturer's specifications for the relative frequency response, overall uncertainties in the sound level meter SPL reading can be kept to less than ±1.5 dB.

For random incidence fields, a 1/4-inch microphone designed for flat frequency response at random incidence with protection grid removed is most suitable. Again, the protection grid can be used as long as corrections are carefully applied. However, a 1/2-inch microphone is not suitable for random incidence fields at frequencies above 25 kHz due to the steep drop in the response.

The major difficulty with measurements of airborne ultrasound arises when the ultrasonic field is best described as a superposition of a random incidence and free field and it is not possible to determine the magnitude of each component. In this case, the best strategy for minimizing uncertainties is to use a 1/4-inch microphone with the protecting grid removed and operating at grazing incidence to the apparent directional component of the ultrasonic field.

Under these conditions, the difference between the response to the random incidence and free field components is less than 1 dB up to 30 kHz and less than 2 dB up to 40 kHz. Therefore, measurement uncertainties in the SPL reading can be kept to less than approximately ±2 dB. Unfortunately, routine use of the microphone without the protecting grid subjects it to a much greater risk of being irreparably damaged mechanically. Another strategy would be to use the 1/4-inch microphone with protecting grid near grazing incidence. Corrections could be made using a response midway between the random incidence response and the free field grazing incidence response. These differ by less than 4 dB up to 40 kHz. Using this approach, it should be possible to keep measurement uncertainties to less than ±3 dB. The steep drop in the grazing incidence free field response for a 1/2-inch microphone at about 20 kHz and the large differences between the normal incidence free field response and the random incidence response make a 1/2-inch microphone unsuitable for measurements in which a significant component of the ultrasonic field is at random incidence.

Dynamic range is also important in determining how measurements are to be made. The upper limit of SPL which can be reliably measured may be limited by the cable length because preamplifier output is limited by the capacitive loading of a long cable. In the range of 20 kHz to 50 kHz for the equipment in our laboratory, the SPL may be limited to less than 130 dB for cable lengths greater than 3 m long. The lower limit of reliably measurable SPL is limited by the size of the microphone. For example, 1/8-inch microphones cannot be used for the lower frequency ultrasonic measurements, even though the frequency response is very flat, because the low signal-to-noise ratio of such a small microphone limits the lowest reliably measurable SPL to approximately 76 dB, which is above the recommended exposure limits in the 16 and 20 kHz 1/3-octave bands.

Since the guidelines are given in terms of 1/3-octave band levels, 1/3-octave band filters (or a spectrum analyzer) must be used. The error in SPL associated with the frequency response of the filter and the SPL error associated with the analyzer's accuracy must be determined from manufacturer's specifications and included in the uncertainty estimate. In addition, because of the jump in permissible exposure from 75 to 110 dB when changing from the 20 to 25 kHz 1/3-octave band, care must be taken in measurement at 20 kHz. A device emitting only in the 25 kHz band could, depending on the "skirts" of a 20 kHz band filter, appear to be emitting a significant SPL in the 20 kHz band. In view of the relatively wide "skirt" tolerances specified in filter standards, such as CSA Z107.5-1975 (CSA 1975) or IEC 225 (IEC 1966, under revision), significantly different results may be obtained with various 1/3-octave band filters satisfying the specifications of the same standards. Therefore, the frequency response of the 1/3-octave band filter should be well known from manufacturer's specifications and taken into account in a measurement.

Appendix 2 - Glossary

The purpose of this glossary is to explain terminology in the document which may be unfamiliar to some readers. The explanatory paragraphs are based on standard definitions given in the cited references. In some cases, definitions may have been shortened or paraphrased for explanatory purposes. The reader is referred to the cited standards for more rigorous definitions.

Cavitation -
Broadly defined, any sonically generated activity of highly compressible bodies (bubbles) of gas and/or vapour in the propagation medium. An example of cavitation is the formation of bubbles in the liquid surrounding the active element of a cell disintegrator. For high-power ultrasound the bubble activity is usually unpredictable and violent (NCRP 83).
Free field -
The propagation condition for the acoustic wave in a homogeneous, isotropic medium (such as air) where the boundaries of the medium (such as the walls of a room) exert a negligible effect on the acoustic wave (IEC 84).
Free field response -
The response of a microphone to an incident acoustic wave which, with the microphone removed, would be propagating under free field conditions (IEC 84).
High-power ultrasound -
There is no standard definition for high-power ultrasound. For the purposes of this document, it is ultrasound of sufficient power or intensity to expose a workpiece to enough vibratory energy to bring about some permanent physical change (Sh 75).
Microstreaming -
Circulatory fluid flow on the scale of micrometers. Often it occurs in the vicinity of vibrating bubbles which have been set into motion due to cavitation by high-power ultrasound (NCRP 83).
1/3-octave band -
The interval between two frequencies whose ratio is 21/3:1. These frequencies define the edges of the band. Normally, the band is referred to by its band centre frequency which is the geometric mean of the two edge frequencies. For upper sonic and ultrasonic frequencies the bands have been designated as the 10, 12.5, 16, 20, 25, 31.5, 40 and 50 kHz bands (CSA 75).
Random incidence -
The propagation condition for acoustic waves that create an acoustic field that has statistically uniform energy density and for which the directions of propagation at any point are randomly distributed (IEC 84).
Random incidence response -
The response of a microphone to an incident acoustic wave which, with the microphone removed, would be propagating at random incidence (IEC 84).
Response -
The output of a device that results from a stimulus under specified conditions. For example, the response of a microphone is the output voltage resulting from an acoustic wave incident on the microphone (IEC 84).
Sound pressure level (SPL) -
Given in decibels (dB), it is 20 times the logarithm to the base 10 of the ratio of a given sound pressure to the reference sound pressure, which is 20 micropascals (mPa) for airborne sound. The sound pressure is the root mean square value of the instantaneous sound pressure over a given time interval (IEC 84).
Temporary threshold shift (TTS) -
The temporary hearing loss suffered as the result of exposure to an acoustic wave. All or part of the loss is recovered during a given period of time after the exposure has been stopped (O1 75).
Threshold of hearing -
For a given listener, the minimum sound pressure level of a specified sound that is capable of evoking an auditory sensation. The sound reaching the ears from other sources is assumed to be negligible (IEC 84).
Transducer -
A device capable of converting electrical energy to mechanical energy and reciprocally converting mechanical energy to electrical energy (IEC 86).
Ultrasonic -
Utilizing, produced by or relating to ultrasonic waves or vibrations. For the purposes of this document, ultrasonic waves are acoustic waves having a frequency above 18 kHz. The limit value of 18 kHz was chosen as a compromise between the two values most commonly found in the literature, 16 and 20 kHz.
Upper sonic -
Utilizing, produced by or relating to upper sonic waves or vibrations. For the purposes of this document upper sonic waves are acoustic waves in the frequency range between 10 and 18 kHz (Mi 74).

5. References

  • Ac 67 Acton, W.I., Carson, M.B. (1967). "Auditory and Subjective Effects of Airborne Noise from Industrial Ultrasonic Sources."Brit. J. Industr. Med., vol. 24, pp. 297-304.  
  • Ac 68 Acton, W.I. (1968). "A Criterion for the Prediction of Auditory and Subjective Effects due to Airborne Noisefrom Ultrasonic Sources."Ann. Occup. Hyg., vol. 11,pp. 227-234.
  • Ac 74 Acton, W.I. (1974). "The Effects of Industrial Airborne Ultrasound on Humans."Ultrasonics, May, pp. 124-128.
  • Ac 75 Acton, W.I. (1975). "Exposure Criteria for Industrial Ultrasound."Ann. Occup. Hyg., vol. 18, pp. 267-268.
  • Ac 77 Acton, W.I., Hill, C.R. (1977). "Hazards of Industrial Ultrasound."Protection, vol. 14, no. 10, pp. 12-17.
  • Ac 83 Acton, W.I. (1983). "Exposure to Industrial Ultrasound:Hazards, Appraisal and Control."J. Soc. Occup. Med.,vol. 33, pp. 107-113.
  • ACGIH 89 ACGIH (1989). Threshold Limit Values and Biological Exposure Indices for 1988-1989. Available from the American Conference of Governmental Industrial Hygienists, 6500 Glenway Ave., Bldg. D-7, Cincinnati, OH, U.S.A. 45211-4438.
  • Al 48 Allen, C.H., Frings, H., Rudnick, I. (1948). "Some Biological Effects of Intense High Frequency Airborne Sound."J. Acoust. Soc. Am., vol. 20, pp. 62-65.
  • An 86 André, G., Damongeot, A. (1986), "Émissions sonores et ultrasonores lors du soudage par ultrasons. Risques et moyens de prévention."Cahiers de notes documentaires (no. 123, 2nd trimester). Available from Institut national de recherche et de sécurité, 30, rue Olivier Noyer, 75680 Paris Cedex 14, France.
  • ANSI 83 American National Standards Institute (ANSI) Standard S1.4-1983. "Specification for Sound Level Meters."Available from Standards Secretariat, Acoustical Society of America, 335 East 45th Street, New York, NY, U.S.A., 10017-3483.
  • ANSI 85 American National Standards Institute (ANSI) Standard S1.4A-1985. "Amendment to ANSI S1.4-1983."Available from Standards Secretariat, Acoustical Society of America, 335 East 45th Street, New York, NY, U.S.A., 10017-3483.
  • Ca 86 Carnes, K.I., Dunn, F. (1986). "Low-Kilohertz-Water-Borne Ultrasound Biological Effects."Radiat. Environ. Biophys., vol. 25, pp. 235-240.
  • Cr 77 Crabtree, R.B., Forshaw, S.E. (1977). "Exposure to Ultrasonic Cleaner Noise in the Canadian Forces."DCIEM Technical Report #77X45. Available from DCIEM, 1133 Sheppard Ave. W., P.O. Box 2000, Downsview, Ontario M3M 3B9.
  • CSA 75 Canadian Standards Association (CSA) Standard Z107.5-1975. "Octave, Half-Octave and Third-Octave Band Filter Sets."Available from Canadian Standards Association, 178 Rexdale Blvd., Rexdale, Ontario M9W 1R3.
  • Da 48 Davis, H. (1948). "Biological and Psychological Effects of Ultrasonics."J. Acoust. Soc. Am., vol. 20, pp. 605-607.
  • Da 54 Danner, P.A., Ackerman, E., Frings, H.W. (1954). "Heating in Haired and Hairless Mice in High-Intensity Sound Fields from 6 - 22 kHz."J. Acoust. Soc. Amer., vol. 26, pp. 731-739.
  • Da 66 Dallos, P.J., Linnell, C.O. (1966). "Subharmonic Components in Cochlear-Microphonic Potentials."J. Acoust. Soc. Am., vol. 40, pp. 4-11.
  • Do 67 Dobroserdov, V.K. (1967). "The Effect of Low Frequency Ultrasonic and High Frequency Sound Waves on Workers."Hygiene and Sanitation, vol. 32, pp. 176-181.
  • El 49 Eldredge, D.H., Parrack, H.O. (1949). "Biological Effects of Intense Sound."J. Acoust. Soc. Am., vol. 21, p. 55.
  • FDA 81(a) Center for Devices and Radiological Health, Food and Drug Administration (1981). "An Evaluation of Radiation Emission from Video Display Terminals."HHS Publication (FDA) 81-8153, Feb. 1981. Available from Division of Compliance, CDRH, Rockville, MD, U.S.A. 20857.
  • FDA 81(b) Herman, B.A., Powell, D. (1981). "Airborne Ultrasound: Measurement and Possible Adverse Effects."HHS Publication (FDA) 81-8163, May 1981. Available from CDRH, Rockville, MD, U.S.A. 20857.
  • Fe 84 Feller, A.M., Domres, B. (1984). "Cutaneous Gangrene and Osteonecrosis Resulting from Thermal Injuries Inflicted by Ultrasound."Akt. Traumatol. vol. 14, pp. 37-39.
  • Fi 68 Fishman, S.S. (1968). "Biological Effects of Ultra-sound: In Vivo and In Vitro Haemolysis."Proceeding of the Western Pharmacology Society, vol. 11, pp. 149-150.
  • Gi 49 Von Gierke, H.E. (1949). "Sound Absorption at the Surface of the Body of Man and Animals."J. Acoust. Soc. Am., vol. 21, p. 55.
  • Gi 50 Von Gierke, H.E. (1950). "Subharmonics Generated in the Ears of Humans and Animals at Intense Sound Levels."Federation Proc., vol. 9, p. 130(a).
  • Gi 52 Von Gierke, H.E., Parrack, H.O., Eldredge, D.N. (1952). "Heating of Animals by Absorbed Sound Energy."J. Cellular Comp. Physiol., vol. 39, pp. 487-505.
  • Go 84 Gold, R.E., Decker, T.N., Vance, A.D. (1984). "Acoustical Characterization and Efficacy Evaluation of Ultrasonic Pest Control Devices Marketed for Control of German Cockroaches."J. Econ. Entomology, vol. 77, pp. 1507-1512.
  • Gr 66 Grigor'eva, V.M. (1966). "Effect of Ultrasonic Vibrations on Personnel Working with Ultrasonic Equipment."Soviet Physics-Acoustics, vol. II, pp. 426-427.
  • Gr 80 Grzesik, J., Pluta, E. (1980). "Noise and Airborne Ultrasound Exposure in the Industrial Environment."Proc. 3rd Int. Congress on Noise as a Public Health Problem. Freyburg, W. Germany, September 25-29, 1978. ASHA Reports 10. The American Speech-Language-Hearing Association, Rockville, Maryland, April 1980, pp. 657-661.
  • Gr 83 Grzesik, J., Pluta, E. (1983). "High Frequency Hearing Risk of Operators of Industrial Ultrasonic Devices."Int. Arch. Occup. Environ. Health, vol. 53, pp. 77-78.
  • Gr 86 Grzesik, J., Pluta, E. (1986). "Dynamics of High-Frequency Hearing Loss of Operators of Industrial Ultrasonic Devices."Int. Arch. Occup. Environ. Health, vol. 57, pp. 137-142.
  • He 81 Herbertz, J., Grunter, K. (1981). "Untersuchungen zur hoerkurvenmaessigen Bewertung von Ultraschall in Luft."Fortschritte der Akustik -DAGA'81. Berlin: VDE-Verlag, pp. 509-512.
  • He 84 Herbertz, J. (1984). "Loudness of Airborne Ultrasonic Noise."Ultrasonics International (1983) Conference Proceedings, S.226-231.
  • IEC 66 International Electrotechnical Commission (IEC) Publication 225 (1966). "Octave, Half-Octave and Third Octave Band Filters Intended for the Analysis of Sounds and Vibrations."Available from Bureau Central de la Commission Electrotechnique Internationale, 3, rue de Varembé, Geneva, Switzerland.
  • IEC 79 International Electrotechnical Commission (IEC) Publication 651 (1979). "Sound Level Meters."Available from Bureau Central de la Commission Electrotech-nique Internationale, 3, rue de Varembé, Geneva, Switzerland.
  • IEC 84 International Electrotechnical Commission (IEC) Publication 50(801) (1984). "Advance Edition of the International Electrotechnical Vocabulary. Chapter 801: Acoustics and Electroacoustics."Available from Bureau Central de la Commission Electrotechnique Internationale, 3, rue de Varembé, Geneva, Switzerland.
  • IEC 86 International Electrotechnical Commission (IEC) Publication 854 (1986). "Methods of Measuring the Performance of Ultrasonic Pulse-Echo Diagnostic Equipment."Available from Bureau Central de la Commission Electrotechnique Intern ationale, 3, rue de Varembé, Geneva, Switzerland.
  • IRPA 84 International Radiation Protection Association (IRPA) (1984). "Interim Guidelines on Limits of Human Exposure to Airborne Ultrasound."Health Physics, vol. 46, pp. 969-974.
  • Kn 68 Knight, J.J. (1968). "Effects of Airborne Ultrasound on Man."Ultrasonics, January, pp. 39-42.
  • Ma 85 auf der Maur, A.N. (1985). "Limits of Exposure to Airborne Ultrasound."Ann. Am. Conf. Ind. Hyg., vol. 12, pp. 177-181.
  • Mi 74 Michael, P.L., et al. (1974). "An Evaluation of Industrial Acoustic Radiation above 10 kHz."Prepared for N.I.O.S.H. under contract No. HSM-99-72-125.
  • NCRP 83 NCRP Report #74 (1983). "Biological Effects of Ultrasound: Mechanisms and Clinical Implications."National Council on Radiation Protection and Measurements, 7910 Woodmont Avenue, Bethesda, MD, U.S.A. 20814.
  • Ne 80 Neppiras, E.A. (1980). "Acoustic Cavitation Thresholds and Cyclic Processes."Ultrasonics, September, pp. 201-209, 230.
  • Ol 75 Industrial Noise and Hearing Conservation (1975). J.B. Olishifski and E.R. Harford, eds. National Safety Council, 425 North Michigan Ave., Chicago, IL, U.S.A. 60611.
  • Pa 66 Parrack, H.O. (1966). "Effect of Air-borne Ultrasound on Humans."Internat. Audiol., vol. 5, pp. 294-308.
  • Ro 57 Romani, J.D., Bugard, P. (1957). "Nouveaux essais sur l'action des bruits sur le système endocrinien."Acustica, vol. 7, pp. 91-93.
  • Sh 75 Shoh, A. (1975). "Industrial Applications of Ultrasound - A Review. I. High-Power Ultrasound."IEEE Transactions on Sonics and Ultrasonics, vol. SU-22, no. 2, pp. 60-71.
  • Sk 65 Skillern, C.P. (1965). "Human Response to Measured Sound Pressure Levels from Ultrasonic Devices."Indust. Hyg. J., vol. 26, pp. 132-136.
  • Sw 82 Swiss Occupational Health and Safety Specifications (1982). "Ultrasonic Equipment as a Source of Noise."No. 137. Published by Schweizerische Unfallver-sicherungsenstalt, 6002 Lucerne, Switzerland.
  • USAF 76 United States Air Force (1976). Hazardous Noise Exposure. USAF Regulation 161-35.
  • WHO 88 Hill, C.R., ter Haar, G. (1988). "Ultrasound,"in Non-Ionizing Radiation Protection, ed. M.J. Suess. Copenhagen: World Health Organization, Regional Publications.

Page details

Date modified: